
Po vydání nového stavebního zákona č. 283/2021 Sb. celé stavební odvětví s napětím očekávalo vydání prováděcí vyhlášky s požadavky na stavby. Dočkali jsme se v červnu 2024. Prováděcí vyhláška číslo 146/2024 Sb., o požadavcích na výstavbu, vešla v platnost 1. 7. 2024 a přináší mnoho změn. Záměrem autorů bylo sdružení mnoha dílčích vyhlášek a nařízení týkajících se staveb v celém jejich spektru do jednoho právního dokumentu. Ne vše se dalo implementovat, některá ministerstva trvala na svých samostatných právních dokumentech. V oblasti ochrany proti pádu do hloubky však došlo k zásadním úpravám, které se musely zapracovat do revize normy ČSN 74 3305 „Ochranná zábradlí“. Dále byla vydána nová norma ČSN 73 4001 „Přístupnost a bezbariérové užívání“, která plně nahradila původní vyhlášku č. 398/2009 Sb.
Požadavky na zábradlí v právních dokumentech
S vydáním nové vyhlášky došlo zároveň k zásadní úpravě takzvaných Pražských stavebního předpisů a Brněnských stavebních předpisů. Rada hl. m. Prahy vydala nové Nařízení č. 12/2024 o požadavcích na výstavbu v Praze a Rada města Brna vydala Nařízení č. 14/2024. V obou dokumentech se shodně uvádí, že na technické požadavky na stavby v městě se použije prováděcí vyhláška stavebního zákona, není-li uvedeno jinak. A na zábradlí realizovaná na stavbách na území Prahy a Brna žádné specifické požadavky v dokumentech nejsou určeny. Konečně se mohou realizovat zábradlí na celém území republiky podle jedné technické normy.
Požadavky na zábradlí ve vyhlášce 146/2024 Sb.
V § 34 „Ochrana proti pádu“ uvedené vyhlášky je uvedeno:
(1) Zábradlí, popřípadě jiná zábrana, se musí zřídit na okraji pochozí plochy, kde hrozí riziko pádu osob do hloubky, aby svými parametry ochránily osoby před pádem.
(2) Zábradlí, popřípadě jiná zábrana, se nemusí zřizovat na pochozí ploše, kde by jejich zřízení bránilo základnímu provozu, pro který je plocha určena, nebo pokud je volný prostor zakryt konstrukcí odpovídající zatížení navrženým provozem a v konstrukci jsou otvory, které jsou navrženy a provedeny tak, aby nemohlo dojít k riziku pádu.
(3) Hrozí-li na pochozí ploše nebezpečí podklouznutí, musí být zábradlí, popřípadě jiná zábrana, u podlahy opatřeny zábradelní zarážkou.
(4) Zábradlí, popřípadě jiná zábrana, v částech budovy dostupných osobám s omezenou schopností pohybu nebo orientace nebo na veřejném prostranství musí být navrženy a provedeny tak, aby splnily požadavky na přístupnost.
(5) Okenní parapet, pod nímž je volný prostor od úrovně pochozí plochy k úrovni upraveného terénu hlubší než 0,5 m až 12 m včetně, musí být minimálně 0,85 m vysoký a minimálně 0,2 m široký v úrovni horní hrany parapetu. Okenní parapet, pod nímž je volný prostor od úrovně pochozí plochy k úrovni upraveného terénu hlubší než 12 m, musí být minimálně 0,9 m vysoký a minimálně 0,2 m široký v úrovni horní hrany parapetu. Okenní parapet, který svou výškou a vlastnostmi odpovídá požadované výšce ochranného zábradlí, nemusí splňovat požadavek na jeho minimální šířku. Není-li možné zajistit uvedené rozměrové požadavky parapetu, musí být zřízeno ochranné zábradlí. Výška parapetu se měří od úrovně pochozí plochy k horní hraně parapetu.
Jak má být ochrana proti pádu zajištěna, je určeno v § 94: Požadavky uvedené v § 34 odst. 1, 2 a 5 se považují za splněné, jsou-li splněny požadavky normy nebo její části určené ve věstníku Úřadu pro technickou normalizaci, metrologii a státní zkušebnictví. Ve věstníku ÚNMZ by měly být uvedeny určené normy, včetně normy ČSN 74 3305. Jak je patrno, v § 34 odst. 5 jsou významně rozšířeny požadavky na okenní parapet.
| Položka | Nejmenší dovolená výška zábradlí H [mm] | Použití |
|---|---|---|
| 1 snížená | 900 | hloubka volného prostoru d ≤ 3 m |
| 2 základní | 1000 | ve všech případech kromě pol. 1, 3, 4 |
| 3 zvýšená | 1100 | hloubka volného prostoru d > 12 m |
| 4 zvláštní | 1200 | hloubka volného prostoru d > 30 m |
Okenní parapet
Okenní parapet je svislá, nejčastěji stavební konstrukce pod okenním otvorem. Parapetem se nazývá také spodní část lehkého obvodového pláště pod otevíravým oknem v tomto plášti osazeném. Z hlediska stavební terminologie se vnější šikmé nebo vnitřní vodorovné horní zakrytí stavebního parapetu parapetem nenazývá.
V původní stavební vyhlášce 268/2009 Sb. byla uvedena po desítky let zafixovaná výška parapetu pod oknem 0,85 m nad podlahou, bez ohledu na hloubku volného prostoru pod oknem. Také nebyla určena minimální šířka (tloušťka) parapetu.
Autoři vyhlášky si vzali jako inspiraci rakouskou směrnici OiB-RL-4, která velmi podrobně specifikuje požadavky na okenní parapety. Odtud plyne požadavek na šířku běžného okenního parapetu minimálně 0,2 m, což bez problémů splňují jakékoliv běžné stavební konstrukce (cihlové, betonové, dřevěné, …). s tepelněizolační venkovní vrstvou.
Dále je nově stanoven požadavek na výšku parapetu v místnostech s podlahou výše než 12 m nad úrovní venkovního terénu před oknem (u paty fasády) minimálně 0,9 m od podlahy. Výška parapetu se exaktně měří od čisté podlahy po horní plochu vodorovné parapetní desky.
Nesplňuje-li parapet minimální šířku 0,2 m, musí splňovat výšku zábradlí, jak předepisuje norma ČSN 74 3305, tedy 0,9, 1,0, 1,1 nebo 1,2 m podle výšky podlahy nad úrovní vnějšího terénu. Toto se vztahuje především na okenní stěny od podlahy ke stropu vybavené příčníkem a otevíravým oknem v horní části nebo na tenké lehké obvodové pláště s integrovanými otevíravými prvky.


Rozdíl v požadavcích na výšku okenního parapetu a zábradlí vychází z rozměrů běžných stavebních konstrukcí (stavební parapet je obvykle široký, zábradlí je tenké) a polohy těžiště lidské postavy, které se nalézá ve výšce určené násobkem 0,55 výšky ženské postavy a 0,57 výšky mužské postavy, tedy pro muže vysokého 180 cm je to ve výšce 103 cm. U standardně širokého okenního parapetu pak při normálním vyklonění nehrozí přepadnutí, ale při tenké konstrukci stejné výšky je již riziko vysoké. Proto je požadovaná výška zábradlí obecně vyšší.
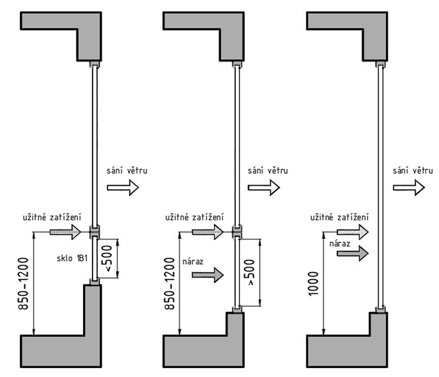
Poloha příčníku v pevně prosklených okenních stěnách a lehkých obvodových pláštích se neurčuje podle výše uvedených kritérií, ale podle úrovně působení vodorovného užitného zatížení na svislé konstrukce, uvedené v národní příloze ČSN EN 1991-1-1. Lineární užitné zatížení se uvažuje ve výšce v rozmezí 0,8–1,2 m, pro požadavky výpočtu se obvykle aplikuje ve výšce 1,0 m nad čistou podlahou. Pod touto úrovní musí být případná skleněná výplň odolná proti nárazu jako zábradelní výplň.
Plochy s intenzivním provozem
V květnu 2024 vyšla Změna číslo 3 normy ČSN 74 3305, kterou se změnila definice ploch s intenzivním provozem. Původní definice, která tyto plochy charakterizovala jako shromažďovací prostory podle normy o požární ochraně ČSN 73 0831, byla přejímána z minulých vydání normy na ochranná zábradlí a nereflektovala nově vydávané evropské normy, tzv. Eurokódy, které definují zatížení konstrukcí.
Plochy s intenzivním provozem jsou nově definovány jako užitná kategorie ploch C5 podle ČSN EN 1991-1-1, případně kategorie C2–C4, D2 podle velikosti plochy a možné zaplněnosti osobami. Kategorie ploch C5 je popsána jako plochy, kde může dojít k vysoké koncentraci osob, jako například budovy pro veřejné akce, koncertní a sportovní haly, tribuny, přístupové plochy k nim, železniční nástupiště. Kategorie D2 jsou plochy v obchodních domech a nákupních galeriích.
Zatřídění ploch do dané kategorie musí stanovit projektant nebo stavebník podle předpokládaného, i občasného, využití. Vodorovné zatížení zábradlí na plochách s běžným provozem je 1,0 kN/m, na plochách s intenzivním provozem činí 5,0 kN/m, což je pro návrh například skleněného zábradlí obrovský rozdíl.
Přístupnost
Vyhláška č. 398/2009 Sb., o technických požadavcích zabezpečujících bezbariérové užívání staveb, byla vydáním nové vyhlášky č. 146/2024 Sb. zrušena a plně nahrazena komplexní technickou normou ČSN 73 4001 „Přístupnost a bezbariérové užívání“ vydanou v červenci 2024. Požadavek na přístupnost a bezbariérovost se mimo stavby rodinných domů a pro rodinnou rekreaci vztahuje na všechny ostatní stavby a veřejná prostranství.
V kapitole 11 „Vertikální komunikační prostory staveb a veřejných prostranství“ jsou mimo jiné stanoveny požadavky na rozměry a polohy madel na zábradlích schodišť a šikmých ramp splňujících požadavky na přístupnost. Dále jsou v normě stanoveny požadavky na zřízení zábradelní zarážky a zarážky pro bílou hůl. Z toho důvodu jsou v novém znění normy ČSN 74 3305 tyto technické doplňky zábradlí vypuštěny a je pouze uveden odkaz na výše uvedenou normu ČSN 73 4001. V normě ČSN 74 3305 nejsou nadále stanoveny požadavky na rozměr madla, protože jsou podrobně popsány v ČSN 73 4001 v článku 11.3.9: průměr 35–45 mm v provozech s volným přístupem dospělých osob; průměr 25–32 mm v provozech určených pro děti do 12 let. Proto bude přípustné na schodištích a šikmých rampách v prostorech bez požadavku na přístupnost a v rodinných domech použít madlo bez omezení tvaru a rozměrů. Madla na schodištích a šikmých rampách musí být instalována v každém případě v souladu s požadavkem normy ČSN 73 4130 „Schodiště a šikmé rampy – Základní požadavky“.
Sklo ve funkci zábradlí
V revizi normy ČSN 74 3305 je zpřesněn rozměr skleněné výplně ve funkci zábradlí, která se nemusí ověřovat na odolnost proti nárazu výpočtem nebo zkouškou. Z podstaty provádění zkoušky a velikosti nárazového tělesa je stanovena poloha nárazu minimálně 250 mm od hrany prosklené výplně nebo od polohy úchytů skla. Proto se výpočet nebo zkouška nemusí aplikovat na skleněnou výplň, jejíž jeden rozměr (světlý rozměr skleněné tabule) je menší než 500 mm, a v případě nepravidelných tvarů nelze do plochy výplně vepsat kružnici o poloměru 250 mm. Ovšem i v případě malých skleněných výplní musí být tabule skla nebo jedna z tabulí izolačního skla provedena ze skla vrstveného s třídou odolnosti 1B1 podle normy ČSN EN 12600, tedy vrstveného skla s meziskelní fólií PVB o tloušťce minimálně 0,76 mm.
Dále došlo k úpravě požadavků na použití tabulí ze skla tepelně tvrzeného. Není nadále striktně vyžadováno použití skla prohřívaného, tedy s provedeným heat-soak testem. Tato úprava je nadále pouze doporučena.
Poslední významnou změnou v normě a v požadavcích na skla ve funkci zábradlí je zvýšený limit na průhyb volně stojícího skleněného zábradlí (skupina E) na 50 mm v místě působení vodorovného užitného zatížení. Tento limit je v souladu s normou ČSN EN 16612.
Roman Šnajdr
Článek je aktualizovanou verzí textu publikovaného v Ročence ČKLOP 2024.
Ing. Roman Šnajdr (* 1967) absolvoval Strojní fakultu ČVUT. Profesní dráhu spojil s výrobci prosklených fasádních konstrukcí. Od roku 1996 pracuje u společnosti Sipral, nyní na pozici technického konzultanta. S Českou komorou lehkých obvodových plášťů (ČKLOP) úzce spolupracuje od jejího založení. V současné době je předsedou Technické komise ČKLOP. Je autorem nebo spoluautorem technických norem na zabudování oken a lehkých obvodových plášťů do stavby. Nově zpracoval českou technickou normu na ochranná zábradlí ČSN 74 3305.
Publikováno v časopise Materiály pro stavbu č. 4/2025.


Nejnovější komentáře